CHINTERGEO中国测绘地理信息技术装备展览会

新闻中心

NEWS CENTER

展商动态

您的位置:主页 > 新闻中心 > 展商动态 >

企业新闻丨优利德2022全球巡回新品发布会盛大举行丨MSO7000X等旗舰产品领衔发布

by:admin
分享到:

11月15日,优利德(UNT-T)“聚合裂变 · 踔厉奋发”全球巡回新品发布会首站,在东莞总部会议大厅隆重举行。



MSO7000X系列高带宽混合信号示波器领衔UTS3000B系列频谱仪、MSO3000CS系列示波器、UT5320R-Sx系列耐压仪、UDP6730系列直流电源等旗舰产品重磅发布。


NEWS1

领“示”无限未来

MSO7000X系列  

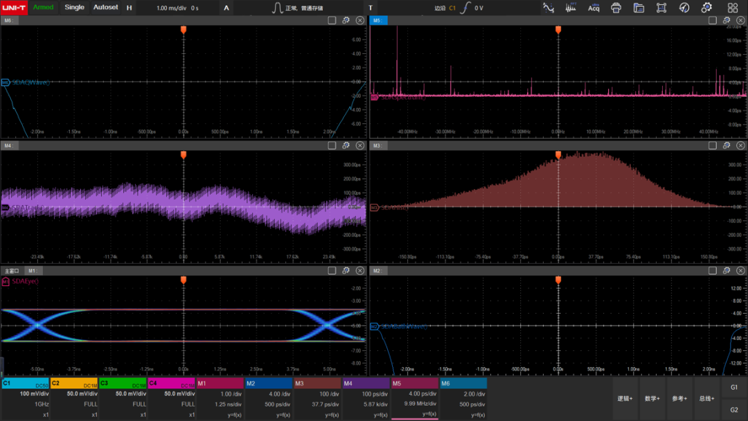
高带宽混合信号示波器

MSO7000X非凡的性能指标,全面细致的分析功能,人性化的触控体验,助您在科技的海洋无限探索。


  • 带宽:2.5GHz 、2GHz、1GHz

  • 最高实时采样率:10GSa/s

  • 最大存储深度:1Gpts

  • 最高波形捕获率:

    1,000,000 wfms/s(UltraAcq®)

  • 4个模拟通道+16数字通道

  • Webserver

  • 支持Matlab嵌入式编程

  • 15.6' FHD高清屏,手势触控


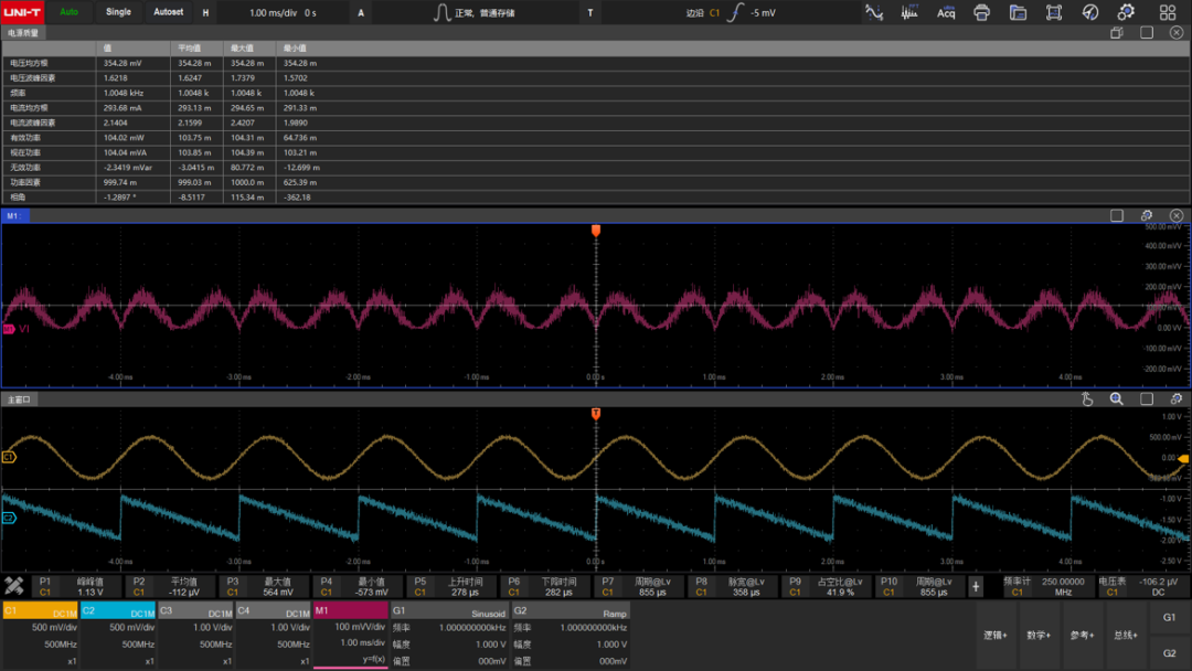
电源测量与分析


电源质量、谐波分析、波纹分析等8大电源分析功能


抖动分析/眼图

定位时钟抖动带来的系统故障


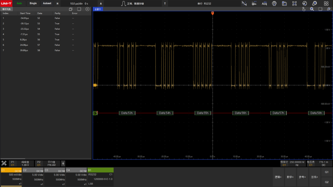
串行协议触发和分析

11种串行总线触发及解码分析

Windows+

支持远程桌面&共享盘访问



2

科技由我“谱”写

UTS3000B系列 频谱分析仪



  • 频率测量范围:

    9kHz~2.1GHz/3.6GHz/8.4GHz

  • 频率扫描点数高达40001

  • 相位噪声-98dBc/Hz

  • DANL低于-161dBm/Hz

  • 频谱分析、EMI、矢量分析

  • 高级测量、跟踪源

  • 10.1'多点触控高清屏


40001 扫描点


捕捉更多不易发现信号,提供更高的频率分辨率

优异选择性

小于4.8:1 / 更好区分邻近频率


3

经典再掀“波”澜

MSO3000CS 数字荧光示波器



  • 带宽:350MHz/500MHz

  • 实时采样率:2.5GSa/s

  • 波形捕获率高达

    1,000,000wfms/s(Fast Acquire)

  • 存储深度:70Mpts/CH

  • 区域触发功能/波特图环测试分析

  • WebControl





区域触发



区域触发,轻松完成偶发、复杂特征信号的捕获


波特图


波特图用于环路分析,对频率响应(增益和相位与频率)的关键测量


4

安全守护者

UT5320R-Sx系列 

多通道可编程耐压测试仪



  • 多通道:4路/8路

  • 全隔离及浮地输出: 

    交流耐压(ACW):5kV/20mA

    直流耐压(DCW):6kV/10mA

    绝缘电阻(IR): 2.5kV/10GΩ

  • 全通道接触检查

5

小体量大作为

UDP6730系列 

宽范围可编程开关直流电源



  • 电压/电流输出:

    40V/30A, 80V/15A

  • 输出功率:360W

  • 功率比高达3.33

  • 分辨率:10mV/1mA

  • 远端补偿

  • List&Delayer


      本次发布的旗舰新品,围绕用户需求进行创新、优化和升级,技术上再次突破,从产品设计、研发到量产,无不凝聚工程师的智慧和心血,给大家带来智能化、高性能的测试仪器产品。

       特别是MSO7000X系列高带宽混合信号示波器,打破外国高端仪器垄断的格局,掌握高端仪器市场话语权,推动中国仪器品牌国际化进程。未来,优利德将持续加大研发投入,打造更多高性能测试仪器产品,助力中国仪器早日屹立于世界品牌之林。

关于 优利德

优利德科技(中国)股份有限公司(以下简称优利德)成立于2003年,总部设于东莞松山湖高新科技园区,优利德致力于测试测量仪器仪表的研发、生产和销售,主要产品包括电子电工测试仪表、温度及环境测试仪表、电力及高压测试仪表、测绘测量仪表和测试仪器等,是亚洲知名且规模较大的仪器仪表公司之一。